| Sign In | Join Free | My gastesters.com |
|
Brand Name : Aowei
Model Number : RHP500
Certification : CE, ISO
Place of Origin : China
MOQ : 1 SET
Payment Terms : T/T, L/C, D/A, D/P, Western Union, MoneyGram
Supply Ability : 5-10 Set/Month
Delivery Time : 5-7 days
Packaging Details : Standard Package
Price : Negotiate
Name : Multi Cylinder Hydraulic Cone Crusher
Max. Feed Size : 60-136 (mm)
Motor Power : 315-400kw
Drive shaft speed(rpm) : 700-950rpm
Application Fields : metal and non-metallic ore, cement, sand, metallurgy and other fields
Applied Materials : River pebbles, granite, basalt, iron ore, limestone, quartz, diabase, iron ore, gold ore, copper ore, etc
Stone Plant RHP500 Multi Cylinder Hydraulic Cone Crusher
1.Description
Multi-cylinder hydraulic cone crushers include spring cone crushers, hydraulic cone crushers and symons cone crushers. The multi-cylinder hydraulic cone crusher is suitable for crushing various ores and rocks of medium hardness and above.
2. Advantages
3. Production and Parameter
| RHP300 | RHP500 | |
| Crusher Total weight (kg) | 15810 | 33150 |
| Fixed cone, fixed cone liner, adjusting cap, hopper(kg) | 3525 | 7200 |
| Moving cone, moving cone lining plate and feeding plate(kg) | 2060 | 5120 |
| Motor Power(kw) | 200-250 | 315-400 |
| Drive shaft speed(rpm) | 700-1200 | 700-950 |
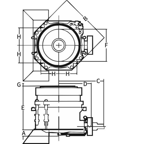
4.Dimensions and weight
| OVERALL DIMENSIONS | mm | HP300 | HP500 |
| A | mm | 328 | 425 |
| B | mm | 2207 | 2730 |
| C | mm | 2020 | 2650 |
| D | mm | 1347 | 1760 |
| E | mm | 1865 | 2290 |
| F | mm | 1078 | 1535 |
| G | mm | 85 | 125 |
| H | mm | 660 | 882 |
| The diameter of the discharging Opening of the main frame | mm | 1470 | 2040 |
| Remark:1.Cone Crusher weight mentioned above without including accessories, given the weight with the heaviest crushing chamber. 2.From the shock absorber to the top of the hopper. 3.From the shock absorber to the top of the feed hopper with the upper rack. | |||

1. The minimum discharge opening is the opening that can be achieved without causing the adjustment ring to beat, which varies with the ore properties and operating conditions
2."B" is the tight side feeding port corresponding to the minimum discharge port "A"
3. According to the different equipment specifications and materials, the feeding size is within the 80% range of "B"
| Cavity Type(Standard Type) | RHP300(minimum discharge opening) | RHP300(tight side feed opening) | ||||||||||||||||||
| EF | ||||||||||||||||||||
| F | 13mm | 107mm | ||||||||||||||||||
| C | 17mm | 150mm | ||||||||||||||||||
| M | 19mm | 211mm | ||||||||||||||||||
| EC | 25mm | 233mm
|
| Cavity Type(Standard Type) | RHP500(minimum discharge opening) | RHP500(tight side feed opening) | |
| EF | |||
| F | 16mm | 133mm | |
| C | 20mm | 204mm | |
| M | 25mm | 286mm | |
| EC | 30mm | 335mm |
| Cavity Type(Short Head Type) | RHP500(minimum discharge opening) | RHP500(tight side feed opening) |
| EF | 6mm | 53mm |
| F | 8mm | 52mm |
| C | 10mm | 57mm |
| M | 13mm | 95mm |
| EC |
Remark: EF=Extra Fine Type
F=Fine Type
M=Medium Cavity Type
C= Medium Coarse Cavity Type
EC=Extra Coarse Cavity Type

|
|
RHP500 Model Multi Cylinder Hydraulic Cone Crusher for River pebbles for fine crushing Images |